محرك ترس AC صغير الموردين

  • سلسلة 400W
  • سلسلة 400W
  • سلسلة 400W
  • سلسلة 400W
محرك ترس AC صغير

سلسلة 400W

طاقة المحرك: 400W (1/2HP) التثبيت الأفقي أو الرأسي

المرحلة: مرحلة واحدة / ثلاث مرحلة

نسبة التروس: 3-1800K

اختيار المحرك: 3 مرحلة المحرك 220V-240V/380V-415V ، 50 هرتز/60 هرتز ؛ محرك مرحلة واحد ، 220 فولت ، 50 هرتز/60 هرتز ؛ محرك مرحلة واحد ، 110 فولت ، 50 هرتز / 60 هرتز

قطر عمود الإخراج: φ22mm φ28mm φ32mm φ40mm

  • سلسلة 400W
  • سلسلة 400W
  • سلسلة 400W
  • سلسلة 400W
طلب منطقة
نحن مؤسسة ذات تكنولوجيا عالية مخصصة لإنتاج وبيع محركات تخفيض التروس بالتيار المتردد، ومحركات التخفيض الصغيرة، ومخفضات الكواكب ذات المحركات المؤازرة، ومحركات DC بدون فرشاة وبدون فرشاة، وغيرها من المنتجات.
  • الفرز اللوجستي

  • الروبوتات الآلية

  • قطع الليزر

  • بوابة التحكم في الوصول

  • محطة الطاقة الكهروضوئية

  • الأجهزة الطبية

  • AGV

وصف المنتج

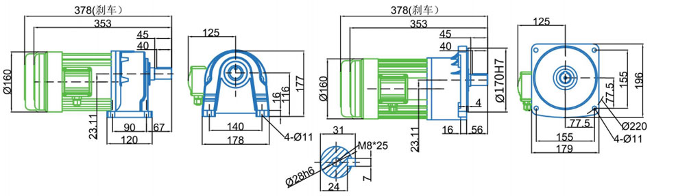
CH22/CV22-400W- (المربع القياسي 1: 3 ~ 10 نسبة) (مربع مخفض 1: 15 ~ 90) مخطط الحجم

CH32/CV32-400W (1: 210 أو أعلى نسبة) Dimension Dimension

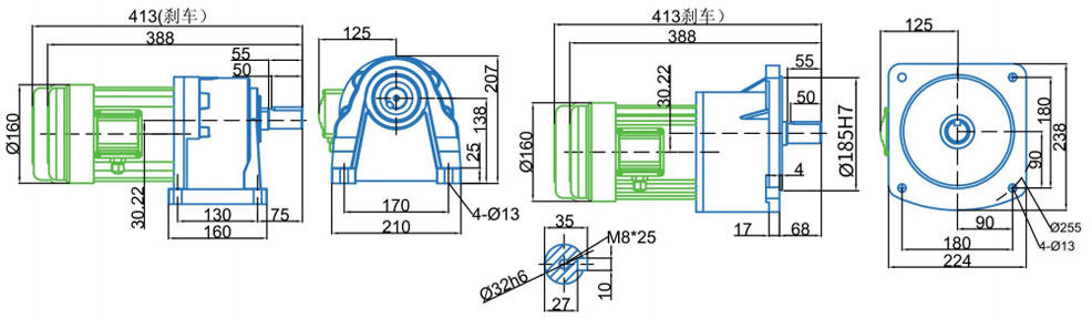
CH28/CV28-400W - (المربع القياسي 1: 15 ~ 90 نسبة) (مربع مخفض 1: 100 ~ 200 نسبة) الرسم الأبعاد

CH40/CV40-400W (1: 210 أو أعلى نسبة) الحجم الرسم البياني

CH32/CV32-400W - (المربع القياسي 1: 100 ~ 200 نسبة) الرسم الأبعاد

معلمة الآلات الكهربائية

معلمة الآلات الكهربائية

السلطة (KW)

يكتب

الجهد (V)

التردد (هرتز)

تيار مصنّف (أ)

سرعة الدوران المقدرة (RMP)

المكثفات (μو)

تصنيف العزل

نظام الحماية

0.4kw

1/2HP

مرحلة واحدة

220 فولت

50 هرتز

1.1A

1420RMP

16μF 、 100μF

F

IP54

ثلاث مراحل

220V/380V

50 هرتز

2.1A/1.2A

1420RMP

/

400W- (1: 3-1800 نسبة رقمية) جدول عزم الدوران

نسبة جيرا

3

5

10

15

20

25

30

40

50

60

70

80

90

100

120

140

160

180

200

300

1200

1800

الإخراج R.P.M.

50 هرتز

500

300

150

100

75

60

50

37

30

25

21.4

18.8

16.7

15

12.5

10.7

9.4

8.4

7.5

5

1.25

0.83

60 هرتز

600

360

180

120

90

72

60

45

36

30

25.7

22.5

20

18

15

12.9

11.3

10

9

6

1.5

1

إخراج عزم الدوران kg/m

50 هرتز

0.7

1.2

2.4

3.6

4.8

6

7.2

9.3

11.6

13.9

16.2

18.4

20.7

23

27.7

32

36

40.8

43.2

70.2

70.2

70.2

60 هرتز

0.6

1

2

3

4

5

6

7.8

9.7

11.6

13.5

15.4

17.3

19.2

23.1

26.7

30.3

34

36

56.7

56.7

56.7

يتم حساب السرعة في الجدول بناءً على السرعة المقدرة للمحرك عند 50 هرتز/60 هرتز ، 1420r.min/1732r.min

ستختلف السرعة الفعلية قليلاً مع حجم الحمل ، مع نطاق تباين يبلغ حوالي ± 5 ٪.

+ فهم معلمات المنتج التفصيلية
اتصل بنا
  • Upload

معلومات عنا
Zhejiang Saiya Intelligent Manufacturing Co. ، Ltd.
Zhejiang Saiya Intelligent Manufacturing Co., Ltd. تأسست عام ٢٠٠٩، بخبرة ١٥ عامًا في هذا المجال، وهي شركة عالية التقنية متخصصة في إنتاج وبيع محركات تروس تيار متردد صغيرة، ومحركات تروس تيار متردد صغيرة، ومحركات تروس تيار مستمر بفرشاة، ومحركات تروس تيار مستمر بدون فرشاة BLDC، وعلبة تروس كوكبية دقيقة، ومحركات أسطوانية... إلخ. نحن الجملة في الصين سلسلة 400W الموردين و تصنيع المعدات الأصلية/تصنيع التصميم الشخصي سلسلة 400W الشركات المصنعة, تُستخدم محركات وعلب تروس سايا على نطاق واسع في الروبوتات الصناعية، والخدمات اللوجستية الذكية، وآلات الطاقة الجديدة، وروبوتات المركبات الموجهة آليًا، وغيرها من المجالات المتقدمة. كما تلعب دورًا محوريًا في تصنيع الأغذية، والتغليف، والمنسوجات، والإلكترونيات، والمعدات الطبية، والآلات المتخصصة، مقدمةً حلولاً اقتصادية ومتميزة لمختلف الصناعات. ولتعزيز تميزنا وفعاليتنا من حيث التكلفة، أنشأنا شركة تجارية خاصة بنا، وهي شركة هانغتشو سايا لمعدات النقل المحدودة، في هانغتشو، بمقاطعة تشجيانغ، بالقرب من ميناءي شنغهاي ونينغبو، لإدارة أعمالنا المحلية والدولية. كما نوفر البيع المباشر والتوزيع، مما يضمن التوزيع العالمي ودعم العملاء، موفرين حلولاً اقتصادية وموثوقة وعالية الجودة لجميع عملائنا.

ثقافة الشركات

أصيل وموثوق
الجودة تبرز بشكل طبيعي.

القيم الأساسية: تطوير الذات والاهتمام بالآخرين.

رؤية:كن خبيرًا في مجال خدمات النقل الذكي.

مهمتنا:تقديم خدمات عالية الجودة وخلق قيمة للعملاء.

فلسفة الخدمة:السعي لتحقيق السعادة المادية والمعنوية لجميع الموظفين والمساهمة في تقدم وتطور المجتمع البشري.

  • 2009

    التأسيس
  • 80+

    طاقم عمل
  • 5+

    خط الإنتاج
أخبار